ZSJZ水流指示器是自動噴淋滅系統的組成部件,借助于供水管網內的板式葉片控測水流信號,并將水流信號與控制器連接,以啟動電報警系統或其它設備,并確定火災發生區域。ZSJZ水流指示器適用于濕式、干式、預作用系統。

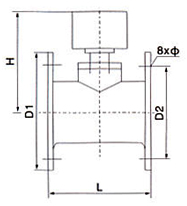
| 型號 | 公稱通徑 | H | D1 | D2 | L | Φ |
|---|---|---|---|---|---|---|
| ZSJZ-I-3-50 | 50 | 160 | 160 | 125 | 150 | 18 |
| ZSJZ-I-3-65 | 65 | 170 | 180 | 145 | 160 | 18 |
| ZSJZ-I-3-80 | 80 | 180 | 195 | 160 | 170 | 18 |
| ZSJZ-I-3-100 | 100 | 195 | 215 | 180 | 180 | 18 |
| ZSJZ-I-3-125 | 125 | 207 | 245 | 210 | 190 | 18 |
| ZSJZ-I-3-150 | 150 | 220 | 280 | 240 | 200 | 23 |
主營產品:氣動調節閥 - 電動調節閥 - 自力式調節閥
版版權所有 © 上海大田閥門管道工程有限公司
地址:上海市浦東新區川宏路528號宏圖大樓5樓
