二通保溫旋塞閥,手動、法蘭連接、填料密封直通式結構,旋塞密封面材料為灰鑄鐵(X43W-10)、鑄銅(X43T-10),公稱壓力 PN10、閥體材料為灰鑄鐵的旋塞閥。適用于工作壓力小于 1.0MPa,溫度低于 100℃ 的水、蒸汽、油品等介質的管路上作啟閉用。
當前旋塞閥廣泛地應用于油田開采、輸送和精練設備中,同時也廣泛用于石油化工、化工、煤氣、天然氣、液化石油氣、暖通行業以及一般工業中。

| 零件名稱 | 閥體、塞子 | 填料 |
|---|---|---|
| BX43W-1.0P BX43W-1.0R | 不銹鋼 | 石墨 |
| BX43W-1.0C | 鑄鋼 |
| 型號 | 公稱壓力PN(MPa) | 試驗壓力PS(MPa) | 工作壓力P(MPa) | 適用介質 | 適用溫度(℃)聚四氟乙烯 | |
|---|---|---|---|---|---|---|
| 殼體 | 密封 | |||||
| BX43W-1.0P | 1.0 | 1.5 | 1.1 | 1.0 | 硝酸類等 | ≤250 |
| BX43W-1.0C | 1.0 | 1.5 | 1.1 | 1.0 | 非腐蝕、弱腐蝕 | ≤200 |
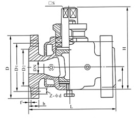
| 口徑 | L | D | D1 | D2 | Z-∮d |
|---|---|---|---|---|---|
| 20 | 150 | 105 | 75 | 55 | 4×14 |
| 25 | 160 | 115 | 85 | 65 | 4×14 |
| 32 | 190 | 135 | 100 | 78 | 4×18 |
| 40 | 200 | 145 | 110 | 85 | 4×18 |
| 50 | 220 | 160 | 125 | 100 | 4×18 |
| 65 | 280 | 180 | 145 | 120 | 4×18 |
| 80 | 300 | 195 | 160 | 135 | 4×18 |
| 100 | 340 | 215 | 180 | 155 | 8×18 |
| 125 | 350 | 245 | 210 | 185 | 8×18 |
| 150 | 400 | 280 | 240 | 210 | 8×23 |
| 200 | 480 | 335 | 295 | 265 | 8×23 |
| 250 | 530 | 390 | 350 | 320 | 12×23 |
| 300 | 610 | 440 | 400 | 368 | 12×23 |
根據旋塞閥的結構特點和設計上所能達到的功能,建議按下列原則選用:
主營產品:氣動調節閥 - 電動調節閥 - 自力式調節閥
版版權所有 © 上海大田閥門管道工程有限公司
地址:上海市浦東新區川宏路528號宏圖大樓5樓
